Uznané barvy
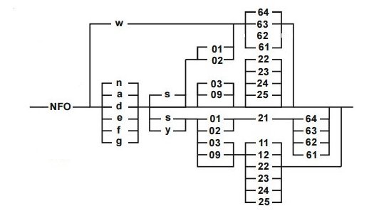
Diagram barev uznaných pro NFO

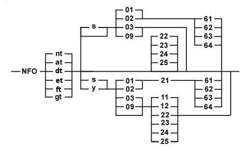
Diagram barev uznaných pouze u NFO

Norská lesní kočka je uznaná ve zbarveních:
- černá, modrá, červená, krémová, (černě) želvovinová a modře želvovinová
- kouřová černá, kouřová modrá, kouřová červená, kouřová krémová, kouřová (černě) želvovinová a kouřová modře želvovinová
- stříbřitá černá, stříbřit modrá, stříbřitá červená, stříbřitá krémová, stříbřitá (černě) želvovinová a stříbřitě modře želvovinová, zlatá černá, zlatá modrá, zlatá červená, zlatá krémová, zlatá (černě) želvovinová a zlatá modře želvovinová
- černá s kresbou, modrá s kresbou, červená s kresbou, krémová s kresbou, (černě) želvovinová s kresbou a modře želvovinová skresbou
- všechny uvedené barvy s bílou v jakémkoliv podílu
- bílá
- pouze u norské lesní kočky se uznává barva jantarová, světle jantarová, jantarová na červené, jantarová na krémové, jantarová želvovinová a světle jantarová želvovinová, která může být s kouřem, se stříbrem nebo se zlatem, s jakýmkoliv podílem bílé a s kresbou nebo bez ní
Amber (jantarová) s kresbou

Light amber (světle jantarová)
s kresbou

Všechny kočky uznaného zbarvení mohou mít oči zelené, oranžové, kočky s nadpolovičním podílem bílé smí mít oči taky modré a/nebo různobarevné.
ZDROJE: obrázky http://fellfarben.kitticat.de/ a schémata http://www1.fifeweb.org/dnld/std/CAT-II.pdf